Mailen Sie uns

VDI Radial getriebter Kopf, Offset, DIN 5480

Kaufen VDI Radial getriebter Kopf, Offset, DIN 5480

SPEZIFIKATION VON VDI RADIAL DRIVEN KOPF, OFFSET,DIN 5480

SPEZIFIKATION VON VDI RADIAL DRIVEN KOPF, OFFSET,DIN 5480

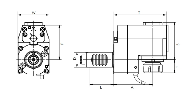
GrößeVDIColletABFLPTWNmU/minKühlungI(rev.)
VDI30-DORER25-75-39.8 DIN548030ER25757139.8555610164286000EXT1:1
VDI30-DORER25K-75-39.8 DIN548030ER257573.539.8555610164286000EXT INT1:1
VDI40-DORER25-120-36,6 DIN548040ER2512092.236.6636515375506000EXT1:1
VDI40-DORER25K-120-36,6 DIN548040ER2512095.236.6636515375506000EXT INT1:1
VDI40-DORER32-120-40, 6 DIN548040ER3212092.240.6636515375506000EXT1:1
VDI40-DORER32K-120-40, 6 DIN548040ER3212095.240.6636515375506000EXT INT1:1


KONTAKTIEREN SIE HELL WERKZEUGE
Anschrift:
253000, Chongde 5th Avenue, neuer Bezirk Gaotie, Dezhou, Shandong, China.
ERHALTEN SIE IHRE KOSTENLOSE KONSULTATION
Hell-Werkzeuge, hell-Zukunft
Anschrift :
253000, Chongde 5th Avenue, neuer Bezirk Gaotie, Dezhou, Shandong, China.
Schnelle Links
Unternehmen Zuhause CNC-Werkzeug halter Videos Über BRIGHT-TOOLS BT zu PSC Adapter 2025-HELL-WERKZEUG Katalog DIN69880-VDI Werkzeug halter Morse Werkzeug halter Langweilige Werkzeug halter SK zu PSC Adapter HSK zu PSC Adapter Schrumpf-Fit-Maschine, Standard Was sind BMT-Werkzeug halter? AG90 AGU Dreh werkzeug halter Dreh werkzeug halter Erweiterte Schrumpf futter sind auf Lager erhältlich EMO-Hannover-2023_copy20241023 Produkte | Hydraulische Collet aufgerüstet und neu! ER Collet Chuck mit UM Nuss BBT ER Collet Chuck mit UM Nuss MTA Morse Taper ER Collet Chuck ER Collet BT Pull Stud B1A Radial, kurz, Kühlmittel DIN 69871 ER Collet Chuck mit UM Nuss ANSI B 5.50 ER Collet Chuck mit UM Nuss DIN 69893 (ISO 12164) HSK-E ER Collet Chuck DIN2080 ER Collet Chuck mit Mini-Nuss BMT OD Dreh werkzeug halter HSK・T Langweilige Stangen halter NBT ER Collet Chuck ER Collet Chuck ohne Drive Slots mit Hex Nuss JIS B 6339 Bohr werkzeug halter ER-Nuss-UM ER Spanner-Hex Werkzeug halter Buchse B Typ MTB Morse Taper ER Collet Chuck Reduktion hülse für langweilige Stangen halter AG90-ER11 So sperren Sie die SLA-Werkzeug halter Werkzeug halter Wie viele Spann methoden? Ihr SLA-Werkzeug halter Warum so teuer? Hell-Werkzeuge Werkzeug halter passen zu Werkzeug halter anderer Marken MOD-ÄNDERUNG ADOPTER Werkzeug halter Adataper Installieren Zeit Betrieb von Wärme maschinen Dieses Video ist eine detaillierte Erklärung unserer Werkzeug halter Verjüngung maschine 2 Stück BT Slim Shrink Fit Chuck BT Shrink Chuck, 3 °, Schlank, Form A BT Shrink Chuck, 3 °, Schlank, Form B BT Shrink Chuck, 3 °, Regular, Form A HSK-A Shrink Chuck, 3 °, Regular, Form A BT Shrink Chuck, 3 °, Regular, Form B BT Shrink Chuck, 3 °, regelmäßig, Kühlmittel BMT Axial getriebter Kopf, DIN 1809 TECHNISCHE ZEICHNUNG VON TG COLLET CHUCK Shrink Chuck Extension Gesichts mühlen halter Produkte Technik-Hilfe HELLE WERKZEUGE Werkzeug halter Collet Bohr werkzeug halter Zubehör DIN69880-VDI Kühlmittel werkzeug halter 2025-BT Werkzeuge Schrumpf-Fit-Maschine, Kühlung DIN69880-VDI Werkzeug halter Dämpfung Gesichts mühlen halter Dämpfung Tuming Werkzeug halter Werkzeugst änder für integrierte Dämpfung ER Collet Chuck mit Hex Nuss BT40 SFS 06 160 3 ° CNC-Werkzeug halter/ER-Werkzeug halter ER Collet Set SK-Zug stecker MTA Morse Taper OZ Collet Chuck DIN 69871ER Collet Chuck mit Hex Nuss ANSI B 5.50 ER Collet Chuck mit Hex Nuss HSK-E Gesichts mühlen halter DIN 69893 (ISO 12164) DIN2080 ER Collet Chuck mit UM Nuss BBT ER Collet Chuck mit Hex Nuss B2A radial, kurz, Kühlmittel HSK・T Dreh werkzeuge SBH für Externe und Facing ER Collet Chuck ohne Drive Slots mit MS Nut BMT Radial getriebter Kopf, DIN 1809 Bohr werkzeug halter DIN 69871 ER Nuss-Hex ER Spanner-Mini Werkzeug halter Buchse J Typ Werkzeug halter Trolley Standard MTB Morse Taper OZ Collet Chuck Reduktion hülse für langweilige Stangen halter SL40-20 Verriegelung vorrichtung für 7/24 und HSK Verjüngung werkzeug halter AG90-ER16 AG90-ER20 AG90-ER25 AG90-ER32 AG90-ER40 AG90-BT30 AG90-BT40 AGB-BT40 AG90-BT50 AG90-ER16X2 AG90-ER20X2 AG90-ER25X2 AG90-ER32X2 AG90-ER40X2 AG90-BT40X2 AG90-F50 AG90-F63 AG90-F80 AG90-F100 AGU-ER16 AGU-ER20 AGU-ER25 AGU-ER32 AGU-BT50 Wollen Sie Ihre Werkzeug halter erhaben? Plz Wählen Sie unsere Reinigungs geräte Betriebs prozess der Schrumpf maschine Schrumpf-Chuck-Erweiterung schlank HSK-A Shrink Chuck, 3 °, Schlank, Form A HSK-A Shrink Chuck, 3 °, Schlank, Form B HSK-E Shrink Chuck, 3 °, Regular, Form A HSK-A Shrink Chuck, 3 °, Regular, Form B Vorteile Unternehmen Aktuelle Nachrichten! Hier kommt der Roboterarm! Ziehen Sie Stud BMT Werkzeug halter 2025-SK Werkzeuge Werkzeug halter Adapper Hülse Schrumpf-Fit-Maschine, Kühlung BT Hydraulischer Chuck, Standard Einführung von wärme schrumpfenden Werkzeug haltern Zug stecker ISO 7388 MTA Morse Taper Gesichts mühle Halter Radial halter Form B1 rechts, kurz ER Collet Chuck mit Mini-Nuss DIN 69871 ER Collet Chuck mit Mini-Nuss DIN 69893 (ISO 12164) HSK-E Weldon Endmühlen-Halter DIN2080 Power Fräs-Chuck B3A radial, kurz, Kühlmittel HSK・T Dreh werkzeuge SBV für Externe und Cut-off NBT SKS Collet Chuck ER Collet Chuck ohne Drive Slots mit UM Nuss BMT Doppel-OD-Dreh werkzeug block DIN 69893 HSK-A Bohr werkzeug Holde Gummi versiegelte Collet ER Nuss-Mini ER Schraubens chl üssel-UM Werkzeug halter Buchse C-Typ Werkzeug halter Stand Verriegelung vorrichtung für 7/24 Verjüngung werkzeug halter MTB Morse Taper Gesichts mühle Halter Betriebs prozess der Werkzeug halter Reinigungs vorrichtung BBT ER Collet Chuck mit Mini-Nuss ANSI B 5.50 ER Collet Chuck, KURZ Wärme schrumpf maschine Broken Blade Entferner Flansch werkzeug halter Adatper hülse ER Collet Chuck , Modul BT Shrink Fit Chuck 4,5 ° BT Slim Shrink Fit Chuck 3 ° HSK-E Shrink Chuck, 3 °, Schlank, Form A HSK-E Shrink Chuck, 3 °, Schlank, Form B HSK-F Shrink Chuck, 3 °, Regular, Form A HSK-E Shrink Chuck, 3 °, Regular, Form B VDI Axial getriebter Kopf, DIN 1809 Dreh werkzeuge für Externe und Facing BBT Shrink Fit Chuck 4,5 ° Produkt-Stuktur Dienstleistungen Werkzeug halter Reinigungs gerät 2025-CAT-Werkzeuge Collet Nuss ER COLLET CHUCK, KURZ Schrumpf-Fit-Maschine, Kühlung Standard Shrink Fit Chuck 4,5 ° Hydraulisches Chuck-Produkt Feiner langweiliger Kopf Doppels ch neider grober Bohrkopf, SP/SC CAT Pull Stud Radial halter Form B2 links, kurz HSK・T Dreh werkzeuge SBN für Externe und Facing DIN2080 OZ Collet Chuck Doppelschneider-Rohkopf, CC B4A radial, kurz, Kühlmittel HSK・T Dreh werkzeuge SBT für Externe und Facing BMT-Werkzeug halter für Gesichts drehung DIN 69893 HSK-F Bohr werkzeug halter MTB Morse Taper Combi Shell Mühle Halter ER Nuss-MS ER Spanner-MS Werkzeug halter Buchse DD Typ Werkzeug halter Schrank HSK-F hydraulischer Chuck, Standard Werkzeug halter Reinigungs gerät ER Collet Chuck, Kurz DIN 69871 ER Collet Chuck, kurz BT Shrink Fit Chuck 4,5 °, Kühlmittel SK Slim Shrink Fit Chuck 3 ° HSK-F Shrink Chuck, 3 °, Schlank, Form A HSK-F Shrink Chuck, 3 °, Schlank, Form B VDI Radial getriebter Kopf, DIN 1809 Produkts truktur Produkts truktur Produkts truktur Lösungen Merkmale des hydraulischen Chuck 2025-HSK-A Werkzeuge Collet Schraubens chl üssel Werkzeug halter Reinigungs gerät Produkte | Eingehende Analyse des Werkzeug halters für APU-und CPU-Bohrfutter HSK-A hydraulischer Chuck, Standard BBT Power Fräsen Chuck Werkzeug halter CNC-Werkzeuge Schrumpf-Fit Hydraulische Chuck Finishing HELL-WERKZEUGE CNC-Werkzeug OTT-Zug stecker Hakens chl üssel Radial halter Form B3 Invertiert Rechts, Kurz DIN 69871 Power Fräs-Chuck ANSI B 5.50 Power Fräs-Chuck HSK-E Spindel prüf laube DIN 69893 (ISO 12164) DIN2080 Face Mill Halter B1B4A radial, kurz, Kühlmittel GER Collet Chuck BMT Bohr stange Werkzeug halter JIS B 6339 Brücke Bohr werkzeug halter GER Nuss Werkzeug halter Buchse Z Typ ER versiegelte Collet, starr Werkzeug halter Trolley TL Werkzeug halter Trolley TH Langweilige Werkzeug halter verlängerung Werkzeug halter Buchse CV Typ Werkzeug halter Trolley TD MQL1 Kanal Shrink Fit Chuck SK Shrink Fit Chuck 4,5 ° HSK-A Slim Shrink Fit Chuck 3 ° VDI Axial getriebter Kopf, Offset, DIN 1809 Schrumpf-Fit-Werkzeug halter Hydraulischer Chuck Standard 2025-HSK-T Werkzeuge Langweilige Bar-Reduktion hülse Hydraulische Chuck-Funktionen HELLE WERKZEUGE Schrumpf Fit HELLE WERKZEUGE CNC-Werkzeug halter Paket ISO-Zug stecker Balls chl üssel Radial halter Form B4 Umgekehrt links, kurz ER Versiegelte Nuss OZ Collet Chuck DIN2080 Kombi-Muschel mühlen halter B1B4AK Radial, kurz, Kühlmittel, Keil klemm halter HSK-E hydraulischer Chuck, Standard BMT Bohr stangen halter, internes und externes Kühlmittel MTA Straight Shank Tapping Chuck DIN 69871 Brücke Bohr werkzeug Holde DIN 69893 Brücke Bohr werkzeug Holde Bohr werkzeug halter Reduzierer BBT Power Fräsen Chuck SK Power Fräs-Chuck CAT Power Fräsen Chuck MQL2 Kanal Schrumpf fit Chuck SK Shrink Fit Chuck 4,5 °, Kühlmittel HSK-E Slim Shrink Fit Chuck 3 ° Schrumpf-Chuck-Verlängerung Kühlmittel VDI Radial getriebter Kopf, Offset, DIN 1809 Katalog Hydraulischer Chuck Power Fräsen Chuck 2025-NT Werkzeuge Werkzeug halter Buchse Werkzeug halter Reinigungs geräte Slim Shrink Fit Chuck, 3 ° Mazak BT Pull Stud Radial halter Form B5 rechts, lang TG Collet Chuck DIN2080 Weldon End mühlen halter B2B3A radial, kurz, Kühlmittel BBT Hydraulischer Chuck, Standard HSK-T Dreh werkzeug DCLNR | DCLNL 95 °/80 ° Doppelschneider-Rohkopf ER Versiegelte Collet OZ Nuss BSB90 ° Bohr halter mit quadratischem Bohrling TQC 45 ° Bohr halter mit quadratischem Bohrling Mazak CAT Pull Stud CAT Shrink Fit Chuck 4,5 ° VDI Axial getriebter Kopf, DIN 5480 FAQ Verkaufs team 2025-GOST Werkzeuge Werkzeug halter Verriegelung Arbeits prinzip des hydraulischen Werkzeug halters MOD Werkzeug halter HELL-WERKZEUGE CNC-Teile Brücke grober langweiliger Kopf Radial halter Form B6 links, lang Präzisions schraube Collet Chuck DIN 69871 OZ Collet Chuck DIN2080 Morse Taper Adapter mit Tang B2B3AK Radial, kurz, Kühlmittel, Keil klemm halter Schlanke Shrink Chuck Verlängerung 3 ° SK Hydraulischer Chuck, Standard HSK-T Dreh werkzeug PCLNR | PCLNL 95 °/80 ° SKS Nuss Kleiner feiner langweiliger Kopf NBJ20 Mikro-Bohr stange BH2084 Bohr werkzeugs atz DCK5-FB50P Mikro-Nishing-Bohr-Kit DCK6-FB50P Mikro-Nishing-Bohr-Kit CAT Shrink Fit Chuck 4,5 °, Kühlmittel 2 Stück BT Slim Shrink Fit Chuck, Kühlmittel VDI Radial getriebter Kopf, DIN 5480 HSK-A Shrink Chuck, 3 °, regelmäßig, Kühlmittel Nachrichten 2025-VDI Werkzeuge JIS B 6339-BT Werkzeug halter Werkzeug maschinen Ausstellung 2019 HSK Kühlmittel rohr Merkmale von zwei Body Shrink Fit Chuck Modul Shrink Fit Chuck Power Fräsen Chuck Shrink Fit Chuck CNC-Werkzeug maschinen zubehör Radial halter Form B7 rechts umgekehrt, lang ANSI B 5.50 TG Collet Chuck DIN2080 Morse Taper Adapter mit Zugstange B5AK radial, lang, Kühlmittel, Keil klemm halter HSK-T Dreh werkzeug DCMNN 50 °/80 °/50 ° ER Tapping versiegelte Collet BT hydraulischer Chuck, schlank HSK-A Shrink Fit Chuck 4,5 ° VDI Axial getriebter Kopf, Offset, DIN 5480 HSK-E Shrink Chuck, 3 °, regelmäßig, Kühlmittel HSK-F Shrink Chuck, 3 °, regelmäßig, Kühlmittel Kontaktieren Sie uns JIS B 6339-BBT Werkzeug halter HELL-WERKZEUGE Ausstellungen im Jahr 2018 Kupplungs antriebs ring Schrumpf-Fit-Chuck-Arbeits prinzip BBT SKS Collet Chuck Schrumpf-Fit-Werkzeug Gerade Shank Collet Radial halter Form B8 umgekehrte links, lang ANSI B 5.50 Präzisions schraube Collet Chuck DIN2080 Werkzeug halter Adapter hülse B6AK radial, lang, Kühlmittel, Keil klemm halter Shrink Fit ER Collet HSK-T Dreh werkzeug PCMNN 50 °/80 °/50 ° SK hydraulischer Chuck, schlank Power Fräsen Chuck HSK-A Shrink Fit Chuck 4,5 °, Kühlmittel VDI Radial getriebter Kopf, Offset, DIN 5480 Branchen lösungen JIS B 6339-NBT Werkzeug halter Wie man die Runout-Genauigkeit von Er-Werkzeug haltern testet? HELL-WERKZEUGE Ausstellungen im Jahr 2017 2025-BMT Werkzeuge Halte schraube BBT-Face-Mill-Halter Werkzeug halter CNC-Werkzeug OZ Collet Axial halter Form C1 rechts DIN 69871 SKS Collet Chuck ANSI B 5.50 Gesichts mühle Halter Zoll DIN2080 Bohr-Chuck-Adapter B7AK radial, lang, Kühlmittel, Keil klemm halter Shrink Fit ER Collet Verlängerung CAT Hydraulischer Chuck, Schlank HSK-E Shrink Fit Chuck 4,5 ° VDI Axial getriebter Kopf, DIN 5482 Suchergebnis Kunden lösungen DIN 69871-SK Werkzeug halter HELLE WERKZEUGE Jährliche Reise 2025-Angetriebene Werkzeuge Klemm-Kits 58 PCS Die Betriebs schritte der Verkleinerung des Werkzeug halters werden wie folgt BBT Combi Shell Mühle Halter SKS Collet Axial halter Form C2 links Ziehen Sie Collet Chuck zurück DIN 69871 Gesichts mühlen halter DIN2080 APU Bohr-Chuck-Halter C1C4A Axial, Kühlmittel Schrumpf-Chuck-Set HSK-T Dreh werkzeug PDJNR | PDJNL 55 °/93 ° HSK hydraulischer Chuck, schlank HSK-F Shrink Fit Chuck 4,5 ° VDI Radial getriebter Kopf, DIN 5482 Sitemap HELL-WERKZEUGE 2016 Neue Produkte 2025-SCHRINK Werkzeuge DIN 69871-ISO Werkzeug halter Balluff Daten träger CNC Shrink Fit Chuck NDC Collet Axial halter Form C3 rechts invertiert SKS Collet Chuck DIN 69871 Kombi-Muschel mühlen halter ANSI B 5.50 Endmühlen halter Weldon DIN2080 Quick Change Tipping Chuck C1C4AK Axial, Kühlmittel, Keil klemm halter 2 Stück Schlanker Schrumpf-Chuck-Körper HSK-T Dreh werkzeug DDNNN 62,5 °/55 °/62,5 ° C Hydraulischer Chuck, Schlank VDI Axial getriebter Kopf, Offset, DIN 5482 404 ANSI B 5.50 SCAT/CAT-Werkzeug halter HELLE WERKZEUGE Frühlings ausgang Werkzeug halter Trolley 2025-HY Werkzeuge BBT Weldon End mühlen halter Axial halter Form C4 links umgekehrte DIN 69871 Endmühlen halter Weldon C2C3A Axial, Kühlmittel 2 Stück Slim Shrink Chuck Verlängerung Gesichts mühle Halter Zoll ANSI B 5.50 Endmühlen halter mit Kühlmittel kanals HSK-T Dreh werkzeug PDNNN 62,5 °/55 °/62,5 ° DC Collet BT Hydraulischer Chuck, Power Design VDI Radial getriebter Kopf, Offset, DIN 5482 Datenschutz richtlinie HSK-A Werkzeug halter DIN 69893 (ISO 12164) HELL-WERKZEUGE Ausstellungen im Jahr 2016 Angetriebter Werkzeug halter 2025-Langweilige Werkzeuge Gesichts mühlen halter BBT Morse Taper Adapter mit Tang Shrink Fit Werkzeug halter Einführung Wir können ungefähr 30. 000-50. 000 Werkzeug halter pro Monat produzieren Rechteckiger Halter mit mehreren Sitzern Form D1 DIN 69871 Endmühlen-Werkzeug halter mit Kühlmittel kanälern ANSI B 5.50 Morse Taper Adapter mit Tang Shrink Chuck, 3 °, Schlank, Form A HSK-T Dreh werkzeug DDUNR | DDUNL 93 °/55 ° Tappen Collet ohne Cluth, metrisch SK Hydraulischer Chuck, Power Design 2 Stück SK Slim Shrink Fit Chuck VDI Axial getriebter Kopf, TOEM Einreichung erfolgreich! 2025-Werkzeug halter Zubehör Werkzeug maschinen halter Rechteckiger Halter mit mehreren Sitzern Form D2 invertiert Kombi-Muschel-Mühlen halter DIN 69871 Endmühlen halter Pfeifen kerb ANSI B 5.50 Werkzeug halter Adapter hülse DIN 69893 ER Collet Chuck mit UM Nuss D1D2A Rechteckiger Halter, Kühlmittel Shrink Chuck, 3 °, Schlank, Form B HSK-T Dreh werkzeug PDUNR | PDUNL 93 °/55 ° Tappen Collet ohne Cluth, Zoll HSK Hydraulischer Chuck, Power Design VDI Radial getriebter Kopf, TOEM Taggg 2025-M Werkzeuge Fräs werkzeug halter in der Herstellung von Medizin produkten: eine wichtige Komponente 2025-Kutter 2025-Anti-Vibration 2025-MOD Werkzeuge BBT-Werkzeug halter Adapter hülse CNC-Werkzeug fräsen/Drehen Tappen Collet mit Cluth, metrisch Bohr halter für indexbare Einsatz bohrform E1 DIN 69871 Morse Taper Adapter mit Tang DIN 69893 ER Collet Chuck mit Hex Nuss ARALU Cuting Off Werkzeug halter, Kühlmittel Shrink Chuck, 3 °, Regular, Form A ANSI B 5.50 Bohrer Chuck Adapter HSK-T Dreh werkzeug DSBNR | DSBNL 90 °/75 ° BT Hydraulischer Chuck, kurz VDI Axial getriebter Kopf, Offset, TOEM Suchergebnis produkte Haupt katalog Von der Holz bearbeitung bis zur Metall bearbeitung: Die Vielseitigkeit von Collet Chuck Holders Bohr halter Form E2 DIN 69871 Morse Taper Adapter mit Zugstange ANSI B 5.50 APU Bohr-Chuck-Halter DIN 69893 ER Collet Chuck mit Mini-Nuss ALARU Cuting Off Werkzeug halter, Kühlmittel Shrink Chuck, 3 °, Regular, Form B Endmühlen halter HSK-T Dreh werkzeug PSBNR | PSBNL 90 °/75 ° SK Hydraulischer Chuck, kurz VDI Radial getriebter Kopf, Offset, TOEM Suchergebnisse Andere Katalog der Unter klasse Elevation Electronics: CNC-Schneidwerk zeug halter in der PCB-Herstellung Hydraulischer Werkzeug halter Tappen Collet mit Cluth, Zoll Bohr stange Halter Form E2S Endmühlen halter mit Kühlmittel kanals DIN 69871 Werkzeug halter Adapter hülse ANSI B 5.50 Präzisions-Bohrer-Chuck-Halter DIN 69893 HSK-A Power Chuck Shrink Chuck, 3 °, regelmäßige, Kühlmittel HSK-T Dreh werkzeug DSSNR | DSSNL 45 °/90 ° BT Hydraulischer Chuck, für Form VDI Axial getriebter Kopf, GESTEPT HAAS CNC-Werkzeug halter Hersteller: Verbesserung der Herstellung medizinischer Geräte mit Präzision und Qualität BBT Precision Drill Chuck Holders HELLE WERKZEUGE Shrink Fit Werkzeug halter OZ Collet Chuck Form E3 Ende Mühle Halter Pfeifen Kerb ANSI B 5.50 Schnell wechsel Tapping Chuck DIN 69871 Bohr-Chuck-Adapter Schrumpf Chuck, gebogener HSK-T Dreh werkzeug PSSNR | PSSNL 45 °/90 ° SK hydraulischer Chuck, für Form HSK Power Fräsen Chuck VDI Radial getriebter Kopf, GESTEPT HAAS Steigerung der Produktivität mit Shrink Chuck Technology Morse Taper Adapter mit Tang DIN 69871 APU Bohr-Chuck-Halter ANSI B 5.50 Schraub fräser halter DIN 69893 OZ Collet Chuck ER Collet Chuck Form E4 HSK-T Dreh werkzeug DVPNR | DVPNL 117,5 °/35 ° HSK hydraulischer Chuck, für Form MQL1 Kanal länge Einstell schrauben BT Shrink Chuck, gebogen VDI Axial getriebter Kopf, Offset, STEPPED HAAS Über hydraulische Werkzeug halter Morse Taper Adapter mit Zugstange DIN 69871 Präzisions bohrer Chuck Halter ANSI B 5.50 Schraub fräser halter, gerade DIN 69893 TG Collet Chuck HSK-T Dreh werkzeug DVUNR | DVUNL 93 °/35 ° SK hydraulischer Chuck, für Grind Doppelter langweiliger Stangen halter, rechts MQL1 Kanal-Kühlmittel versorgungs set 2 Stück SK Slim Shrink Fit Chuck, Kühlmittel VDI Radial getriebter Kopf, Offset, STEPPED HAAS Die Rolle von Schrumpf futter in CNC-Präzision Werkzeug halter Adapter hülse BBT Runout Einstellbarer Flansch adapter DIN 69871 Schnell wechsel Tapping Chuck ANSI B 5.50 Runout Einstellbarer Flansch adapter DIN 69893 Präzisions schraube Collet Chuck HSK-T Dreh werkzeug DVVNN 72,5 °/35 °/72,5 ° BMT Angetriebter Kopf, DIN 1809 MTB Hydraulischer Chuck Doppelter langweiliger Stangen halter, links MQL2 Kanal länge Einstell schrauben Schrumpf futter in der Hoch leistungs bearbeitung Morse Taper Adapter Form F Bohrer Chuck Adapter DIN 69871 Schraub fräser halter ANSI B 5.50 UM Verstellbare Werkzeug halter DIN 69893 Collet Chuck zurückziehen HSK-T Dreh werkzeug DWLNR | DWLNL 95 °/80 ° VDI Angetriebter Kopf, DIN 1809 MQL2-Kanal-Kühlmittelversorgungs-Set Hydraulischer Chuck, Modul HSK-A Shrink Chuck, gebogener Die Vorteile von Shrink Chucks erkunden APU-Bohrer-Chuck-Halter Was sind Schrumpf werkzeug halter? Rechteckige leere Form A1 DIN 69871 Einschrauben-Fräser halter, gerade ANSI B 5.50 Ausrichtung werkzeug für ATC-Arm DIN 69893 SKS Collet Chuck HSK-T Dreh werkzeug PWLNR | PWLNL 95 °/80 ° VDI Angetriebter Kopf, DIN 5480 Hydraulische Collet, versiegelt Shrink Fit Chuck, Modul HSK-E Shrink Chuck, gebogener Schrumpfen für den Erfolg: Schrumpfen von Chucks in der Luft-und Raumfahrt fertigung Präzisions-Bohrer-Chuck-Halter Genauigkeit prüfung des wärme schrumpfenden Werkzeug halters Runde leere Form A2 DIN 69871 Runout Einstellbarer Flansch adapter ANSI B 5.50 Langweiliger Riegel DIN 69893 Gesichts mühlen halter Hydraulisch versiegelte Collet VDI Angetriebter Kopf, DIN 5482 HSK-F Shrink Chuck, gebogener Jenseits von engen Toleranzen: Shrink Fit Collets in der Luft-und Raumfahrt technik BBT-Spindel-Test-Laube Schrumpf-Fit-Werkzeug halter Abschneiden von Werkzeug haltern in der rechten Höhe verstellbar Schnell wechsel Tapping Chuck DIN 69871 UM Verstellbare Werkzeug halter ANSI B 5.50 Spindel Test Arbor DIN 69893 Gesichts mühlen halter HSK-T Dreh werkzeug DDQNR | DDQNL 107,5 °/55 °, lang VDI-Angetriebter Kopf, TOEM BARUFF ALDI Hydraulische Collet mit Kühlmittel kanals Shrink Fit Collets: Revolution ierung der Präzision der Automobil produktion Schraub fräser halter Shrink Fit Chuck Shrink Fit Werkzeug halter Abschneiden von Werkzeug haltern links höhen verstellbar DIN 69871 Bohr stange Blank DIN 69893 Kombi-Muschel mühlen halter HSK-T Dreh werkzeug PDQNR | PDQNL 107,5 °/55 °, lang VDI-Angetriebter Kopf, GESTEHT HAAS ANSI B 5.50 Ausrichtung werkzeug für ATC-Arm Shrink Fit Collets: Revolutionieren der Präzisions bearbeitung Hydraulischer Chuck-Werkzeug halter Ausschalten von Werkzeug haltern umgekehrte rechte Höhe verstellbar DIN 69871 Spindel prüf laube DIN 69893 Endmühlen halter Weldon Schraub-Fräser halter, gerade HSK-T Dreh werkzeug SCLCR | SCLCL 95 °/80 ° 2 Stück HSK-A Slim Shrink Fit Chuck Shrink Fit Collets in Bau und Infrastruktur Runout Verstellbarer Flansch adapter Schrumpf-Fit-Werkzeug halterung Abschneiden Werkzeug halter umgekehrte linke Höhe verstellbar DIN 69871 Ausrichtung werkzeug für ATC-Arm DIN 69893 Endmühlen halter mit Kühlmittel kanalern HSK-T Dreh werkzeug SCMCN 50 °/80 °/50 ° UM einstellbar DIN 69893 Endmühlen halter Pfeifen kerb HSK-T Dreh werkzeug SDHCR | SDHCL 107,5 °/55 ° SK-Ausrichtung werkzeug für ATC-Arm Klassifizierung von wärme schrumpfenden Werkzeug haltern Dynamisches Balancieren der CMM-Inspektion Schutzst ecker Form Z2 Ausrichtung werkzeug für ATC-Arm HSK-T Dreh werkzeug SDNCN 62,5 °/55 °/62,5 ° Hydraulischer Chuck, Modul IMTS 2024 Langweilige Stange Blank DIN 69893 Morse Taper Adapter mit Zugstange HSK-T Dreh werkzeug SDJCR | SDJCL 93 °/55 ° Shrink Fit Chuck Prinzip und Vorteile von Wärme schrumpf werkzeug haltern Spindel-Test-Laube DIN 69893 Werkzeug halter Adapter hülse HSK-T Dreh werkzeug SDUCR | SDUCL 93 °/55 ° Hydraulischer Chuck Leistung und Anwendung von hydraulischen Haltern DIN 69893 APU Bohr-Chuck-Halter HSK-T Dreh werkzeug SSBCR | SSBCL 75 °/90 ° BT-Ausrichtung werkzeug für ATC-Arm ER Collet Chuck Merkmale und Arten von BRIGHT-TOOLS BMT-Werkzeug haltern Der Bearbeitungs prozess des hydraulischen Werkzeug halters DIN 69893 Präzisions bohrer Chuck Halter HSK-T Dreh werkzeug SSSCR | SSSCL 45 °/90 ° 2 Stück HSK-A Slim Shrink Fit Chuck, Kühlmittel Werkzeug halter Reinigungs gerät Endmühlen halter Dreh zentrum und getriebene Werkzeug halter Wie ist der leistungs starke angetriebene Werkzeug halter ER Collet Chuck HELLE WERKZEUGE Shrink Fit Chuck DIN 69893 Schnell wechsel Tapping Chuck HSK-T Dreh werkzeug SVPBR | SVPBL | SVPCR | SVPCL 117,5 °/35 ° Werkzeug halter Arbeits prinzip des HSK E50 Werkzeug halters Arten von HSK-Werkzeug haltern Werkzeug halter Adapper Hülse ER Collet DIN 69893 Schraub fräser halter HSK-T Dreh werkzeug SVUBR | SVUBL | SVUCR | SVUCL 93 °/35 ° Vorteile und Anwendungen Analyse von Power Milling Chucks Schrumpf-Fit-Maschinen Wie werden ER-Werkzeug halter verarbeitet und verwendet? DIN 69893 Einschrauben-Fräser halter, gerade HSK-T Dreh werkzeug SVVBN | SVVCN 72,5 °/35 °/72,5 ° Vorteile und Anwendungen von Shrink Fit Collect DIN 69893 Runout Einstellbarer Flansch adapter HSK-T Dreh werkzeug SVJBR | SVJBL | SVJCR | SVJCL 93 °/35 ° Eigenschaften und Funktionen von Angetrieben Werkzeug haltern, die Anfänger kennen müssen DIN 69893 UM Verstellbarer Werkzeug halter HSK-T Dreh werkzeug Langes SDQCR | SDQCL 107,5 °/55 ° Was sind die Eigenschaften von hydraulischem Chuck? Wie funktioniert das Betriebs prinzip des hydraulischen Chuck? DIN 69893 Ausrichtung werkzeug für ATC-Arm HSK-T Dreh werkzeug Lang SVQCR | SVQCL 107,5 °/55 ° Die Anwendungs tabus der Installation von hydraulischen Collet DIN 69893 Bohr stange Blank 2 Stück HSK-E Slim Shrink Fit Chuck Was ist Shrink Fit Werkzeug halter? DIN 69893 Spindel prüf laube 2 Stück HSK-F Slim Shrink Fit Chuck Innovatives Design und Anwendung von Wärme schrumpf werkzeug haltern Anwendung von Wärme schrumpf haltern in der Form bearbeitung Auswahl von CNC-Halter HSK-E Werkzeug halter DIN 69893 (ISO 12164) Vorteile der Verwendung von VDI-Werkzeug haltern beim CNC-Drehen CNC-Werkzeug halter Hydraulischer Chuck HSK-F Werkzeug halter DIN 69893 (ISO 12164) Anwendungs szenarien von hydraulischen Haltern DIN69893 (ISO12164-1)-HSK-T Werkzeug halter Zusammenfassung der Wissens punkte auf hydraulischen Haltern Shrink Fit Chuck HELL-WERKZEUGE DIN2080-NT Werkzeug halter Hydraulischer Halter: Ein hochpräzises Werkzeug für die Herstellung HELLE WERKZEUGE Shrink Fit Collet Werkzeug halter für CNC-Maschinen zentrum GOST 25827-93 Werkzeug halter Wissen im Zusammenhang mit CNC-Haltern Hydraulischer Fräs-Chuck Vergleich der Leistung verschiedener Arten von Werkzeug haltern Shrink Fit Chuck Wissen Sie, wie Wärme schrumpf werkzeug griffe aussehen? GOST 25827-93 ER Collet Chuck BBT-Werkzeug halter strukturelles Design und seine Anwendung auf CNC-Werkzeug maschinen GOST 25827-93 Power Fräs-Chuck Sichere Betriebs-und Wartungs verfahren für Wärme schrumpf werkzeug halter GOST Power Fräsen Chuck Differenz-und Anwendungs analyze des Spinn werkzeug halters und des hydraulischen Halters Was sind die Klassifikationen von wärme schrumpfbaren Werkzeug haltern? Der Unterschied zwischen BT-und BBT-Werkzeug haltern Shrink Fit Chuck Klassifizierung von wärme schrumpfenden Werkzeug haltern GOST 25827-93 Gesichts mühlen halter Arbeits prinzip und sicherer Betrieb des hydraulischen Halters GOST 25827-93 Kombi-Muschel-Mühlen halter Prinzip und Vorteile von Wärme schrumpf werkzeug haltern DIN 69893 (ISO 12164) HSK-F ER Collet Chuck GOST 25827-93 Waldon End mühlen halter Wie kann die Verarbeitung sicherheit bei Verwendung eines HSK-Werkzeug halters sicher gestellt werden? DIN 69893 (ISO 12164) HSK-F OZ Collet Chuck GOST 25827-93 Morse Taper Adapter mit Tang Struktur und Vorteile von HSK-Werkzeug haltern HSK-F Gesichts mühlen halter DIN 69893 (ISO 12164) GOST 25827-93 Morse Taper Adapter mit Zugstange HSK-Werkzeug halter: Die Geheimwaffe für eine effiziente Bearbeitung DIN 69893 (ISO 12164) HSK-F Weldon Endmühlen-Halter GOST 25827-93 APU Bohr-Chuck-Halter Was ist die Mindest klemm länge von Schrumpf werkzeug haltern? Schrumpf-Chuck-Werkzeug halter Werkzeug maschinen zubehör DIN 69893 (ISO 12164) HSK-F Morse Taper Adapter mit Tang GOST 25827-93 Quick Change Tipping Chuck Funktion und Bedeutung von VDI-Werkzeug halter Wie funktionieren Wärme schrumpf werkzeug halter? DIN 69893 (ISO 12164) HSK-F Präzisions-Bohr-Chuck-Halter Hydraulischer Werkzeug halter: Eine aus gezeichnete Wahl für die hochpräzise Bearbeitung DIN 69893 (ISO 12164) HSK-F Bohr stange Statische und getriebene Werkzeuge Bright-Tools: Ein Marktführer in der Herstellung von Werkzeug halterungen HSK-F Spindel prüf laube DIN 69893 (ISO 12164) Bohr werkzeuge Standard und Funktion von HSK-Kühlmittel rohren Anti-Vibration CIMT2025 CHINA INTERNAT IONAL MACHINETOOL SHOW Werkzeug halter Zubehör Unterschiede zwischen BT-Halter und SK-Werkzeug halter Maschine Vorteile und Grundsätze des Wärme schrumpf werkzeug halters Merkmale und Vorteile des SK-Werkzeug halters DIN 69880 VDI-Werkzeug halter: Die ideale Wahl für die hochpräzise Bearbeitung HSK Werkzeug halter Design vs DIN 69871 Werkzeug halter: Was ist der wahre Unterschied? EMO 2025 Stand Nr. Hall4, D58 Winkel kopf Wie hydraulische Chucks arbeiten, um Ihr CNC-Leben einfacher zu machen So identifizieren Sie verschiedene HSK-Werkzeug halter typen für CNC-Anwendungen PSC Dienstleistungen
Hell-Werkzeuge, hell-Zukunft
Skype: :
Sdjinjie101
Anschrift :
253000, Chongde 5th Avenue, neuer Bezirk Gaotie, Dezhou, Shandong, China.